Products
SC604
Swipe left and right more
※ SC604
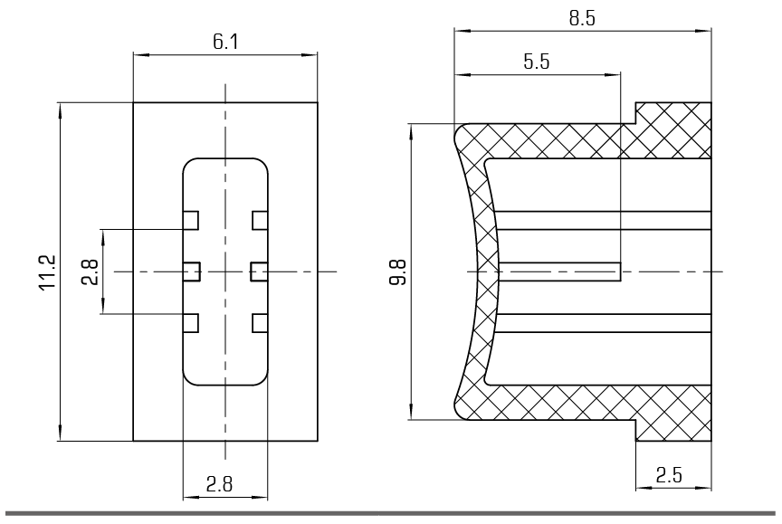
SC6 series with inner size 2.8×2.8mm for 6×6 square stem tact switch and push switch | |
| COLOR: | White , Grey |
| MOQ: | 1000PCS |
※ DIAGRAM

| Total Height | 12.7 | 13 | 13.2 |
| Switch Height | 7 | 7.3 | 7.5 |




khancn3
